ANALOG
DEVICES
SPI Interface, 4× SPST Switches,
9.8 Ω RON, ±20 V/+36 V, Mux Configurable
Data Sheet ADGS5412
Rev. A Document Feedback
Information furnished by Analog Devices is believed to be accurate and reliable. However, no
responsibility is assumed by Analog Devices for its use, nor for any infringements of patents or other
rights of third parties that may result from its use. Specifications subject to change without notice. No
license is granted by implication or otherwise under any patent or patent rights of Analog Devices.
Trademarks and registered trademarks are the property of their respective owners.
One Technology Way, P.O. Box 9106, Norwood, MA 02062-9106, U.S.A.
Tel: 781.329.4700 ©2017–2018 Analog Devices, Inc. All rights reserved.
Technical Support www.analog.com
FEATURES
SPI interface with error detection
Includes CRC, invalid read/write address, and SCLK count
error detection
Supports burst mode and daisy-chain mode
Industry standard SPI Mode 0 and Mode 3 interface
compatible
Guaranteed break-before-make switching allowing external
wiring of switches to deliver multiplexer configurations
VSS to VDD analog signal range
Fully specified at ±15 V, ±20 V, +12 V, and +36 V
±9 V to ±22 V dual-supply operation
9 V to 40 V single-supply operation
Latch-up proof analog switch pins
8 kV HBM ESD rating
Low on resistance (<10 Ω)
1.8 V logic compatibility with 2.7 V ≤ VL ≤ 3.3 V
APPLICATIONS
Relay replacement
Automatic test equipment
Data acquisition
Instrumentation
Avionics
Audio and video switching
Communication systems
FUNCTIONAL BLOCK DIAGRAM
SDO
D4S4
D3S3
D2S2
D1S1
SPI
INTERFACE
SCLK SDI CS RESET/V
L
ADGS5412
15234-001
Figure 1.
GENERAL DESCRIPTION
The ADGS5412 contains four independent single-pole/single-
throw (SPST) switches. A serial peripheral interface (SPI) controls
the switches. The SPI interface has robust error detection features,
including cyclic redundancy check (CRC) error detection, invalid
read/write address detection, and serial clock (SCLK) count
error detection.
It is possible to daisy-chain multiple ADGS5412 devices together,
which enables the configuration of multiple devices with a
minimal amount of digital lines. The ADGS5412 can also
operate in burst mode to decrease the time between SPI
commands.
Each switch conducts equally well in both directions when on,
and each switch has an input signal range that extends to the
supplies. In the off condition, signal levels up to the supplies are
blocked.
The on-resistance profile is very flat over the full analog input
range, which ensures good linearity and low distortion when
switching audio signals. The ADGS5412 exhibits break-before-
make switching action, allowing use of the device in multiplexer
applications with external wiring.
PRODUCT HIGHLIGHTS
1. SPI interface removes the need for parallel conversion and
logic traces and reduces general-purpose input/output
(GPIO) channel count.
2. Daisy-chain mode removes additional logic traces when
multiple devices are used.
3. CRC, invalid read/write address, and SCLK count error
detection ensure a robust digital interface.
4. CRC error detection capabilities allow for the use of the
ADGS5412 in safety critical systems.
5. Guaranteed break-before-make switching allows the use of
the ADGS5412 in multiplexer configurations with external
wiring.
Trench isolation analog switch section guards against latch-up. A
dielectric trench separates the positive (P) and negative (N) channel
transistors thereby preventing latch-up even under severe
overvoltage conditions.

ADGS5412 Data Sheet
Rev. A | Page 2 of 30
TABLE OF CONTENTS
Features .............................................................................................. 1
Applications ....................................................................................... 1
Functional Block Diagram .............................................................. 1
General Description ......................................................................... 1
Product Highlights ........................................................................... 1
Revision History ............................................................................... 2
Specifications ..................................................................................... 3
±15 V Dual Supply ....................................................................... 3
±20 V Dual Supply ....................................................................... 5
12 V Single Supply ........................................................................ 7
36 V Single Supply ........................................................................ 9
Continuous Current per Channel, SX or DX ............................ 11
Timing Characteristics .............................................................. 11
Absolute Maximum Ratings .......................................................... 13
ESD Caution ................................................................................ 13
Pin Configurations and Function Descriptions ......................... 14
Typical Performance Characteristics ........................................... 15
Test Circuits ..................................................................................... 19
Terminology .................................................................................... 21
Theory of Operation ...................................................................... 22
Address Mode ............................................................................. 22
Error Detection Features ........................................................... 22
Clearing the Error Flags Register ............................................. 23
Burst Mode .................................................................................. 23
Software Reset ............................................................................. 23
Daisy-Chain Mode ..................................................................... 23
Power-On Reset .......................................................................... 24
Break-Before-Make Switching .................................................. 25
Trench Isolation .......................................................................... 25
Digital Input Buffers .................................................................. 25
Applications Information .............................................................. 26
Power Supply Rails ..................................................................... 26
Power Supply Recommendations ............................................. 26
Register Summary .......................................................................... 27
Register Details ............................................................................... 28
Switch Data Register .................................................................. 28
Error Configuration Register .................................................... 28
Error Flags Register .................................................................... 29
Burst Enable Register ................................................................. 29
Software Reset Register ............................................................. 29
Outline Dimensions ....................................................................... 30
Ordering Guide .......................................................................... 30
REVISION HISTORY
7/2018—Rev. 0 to Rev. A
Changes to Table 1 ............................................................................ 3
Changes to Source Off Leakage, IS (Off) Parameter and Drain
Off Leakage, ID (Off) Parameter, Table 1 ....................................... 3
Changes to Source Off Leakage, IS (Off) Parameter and Drain
Off Leakage, ID (Off) Parameter, Table 2 ....................................... 5
Changes to Source Off Leakage, IS (Off) Parameter and Drain
Off Leakage, ID (Off) Parameter, Table 4 ....................................... 9
Deleted Figure 43 and Figure 44; Renumbered Sequentially ..... 24
Added Figure 43 and Figure 44; Renumbered Sequentially ..... 24
5/2017—Revision 0: Initial Version
Table L
Data Sheet ADGS5412
Rev. A | Page 3 of 30
SPECIFICATIONS
±15 V DUAL SUPPLY
Positive supply (VDD) = 15 V ± 10%, negative supply (VSS) = −15 V ± 10%, digital supply (VL) = 2.7 V to 5.5 V, GND = 0 V, unless
otherwise noted.
Table 1.
Parameter +25°C −40°C to +85°C −40°C to +125°C Unit Test Conditions/Comments
ANALOG SWITCH
Analog Signal Range
V
DD
to V
SS
V
On Resistance, RON 9.8 Ω typ VS = ±10 V, IS = −10 mA;
see Figure 29
11 14 16 Ω max VDD = +13.5 V, VSS = −13.5 V
On-Resistance Match Between Channels,
∆RON
0.35 Ω typ VS = ±10 V, IS = −10 mA
0.7 0.9 1.1 Ω max
On-Resistance Flatness, RFLAT (ON) 1.2 Ω typ VS = ±10 V, IS = −10 mA
1.6 2 2.2 Ω max
LEAKAGE CURRENTS VDD = +16.5 V, VSS = −16.5 V
Source Off Leakage, IS (Off ) ±0.05 nA typ VS = ±10 V, VD = μ 10 V;
see Figure 32
±0.25 ±0.75 ±6 nA max
Drain Off Leakage, ID (Off ) ±0.05 nA typ VS = ±10 V, VD = μ 10 V;
see Figure 32
±0.25 ±0.75 ±6 nA max
Channel On Leakage, ID (On), IS (On) ±0.1 nA typ VS = VD = ±10 V; see Figure 28
±0.4 ±2 ±12 nA max
DIGITAL OUTPUT
Output Voltage
Low, VOL 0.4 V max ISINK = 5 mA
0.2
V max
I
SINK
= 1 mA
High Impedance Leakage Current
0.001
µA typ
V
OUT
= V
GND
or V
L
±0.1 µA max
High Impedance Output Capacitance 4 pF typ
DIGITAL INPUTS
Input Voltage
High, VINH 2 V min 3.3 V < VL ≤ 5.5 V
1.35 V min 2.7 V ≤ VL ≤ 3.3 V
Low, VINL 0.8 V max 3.3 V < VL ≤ 5.5 V
0.8 V max 2.7 V ≤ VL ≤ 3.3 V
Input Current, IINL or IINH 0.002 µA typ VIN = VGND or VL
±0.1 µA max
Digital Input Capacitance, CIN 4 pF typ
DYNAMIC CHARACTERISTICS1
tON 460 ns typ RL = 300 Ω, CL = 35 pF
540 560 580 ns max VS = 10 V; see Figure 36
tOFF 185 ns typ RL = 300 Ω, CL = 35 pF
225 240 270 ns max VS = 10 V; see Figure 36
Break-Before-Make Time Delay, tD 245 ns typ RL = 300 Ω, CL = 35 pF
195 ns min VS1 = VS2 = 10 V, see Figure 35

ADGS5412 Data Sheet
Rev. A | Page 4 of 30
Parameter +25°C −40°C to +85°C −40°C to +125°C Unit Test Conditions/Comments
Charge Injection, QINJ 245 pC typ VS = 0 V, RS = 0 Ω, CL = 1 nF;
see Figure 37
Off Isolation −78 dB typ RL = 50 Ω, CL = 5 pF, f =
100 kHz; see Figure 31
Channel to Channel Crosstalk
−70
dB typ
R
L
= 50 Ω, C
L
= 5 pF, f = 1 MHz;
see Figure 30
Total Harmonic Distortion + Noise,
THD + N
0.01 % typ RL = 1 kΩ, 15 V p-p, f = 20 Hz
to 20 kHz; see Figure 33
−3 dB Bandwidth 167 MHz typ RL = 50 Ω, CL = 5 pF; see
Figure 34
Insertion Loss −0.7 dB typ RL = 50 Ω, CL = 5 pF, f = 1 MHz;
see Figure 34
Off Switch Source Capacitance, CS (Off ) 18 pF typ VS = 0 V, f = 1 MHz
Off Switch Drain Capacitance, CD (Off ) 18 pF typ VS = 0 V, f = 1 MHz
On Switch Capacitance, CD (On), CS (On) 57 pF typ VS = 0 V, f = 1 MHz
POWER REQUIREMENTS VDD = +16.5 V, VSS = −16.5 V
Positive Supply Current, IDD 45 µA typ Digital inputs = 0 V or VL
55 70 µA max
45 µA typ All switches closed,
VL = 5.5 V
110 µA typ All switches closed,
VL = 2.7 V
Digital Supply Current, IL
Inactive 6.3 µA typ Digital inputs = 0 V or VL
8.0 µA max
Inactive, SCLK = 1 MHz 14 µA typ CS = VL and SDI = 0 V or VL,
VL = 5 V
7 µA typ CS = VL and SDI = 0 V or VL,
VL = 3 V
SCLK = 50 MHz 390 µA typ CS = VL and SDI = 0 V or VL,
VL = 5 V
210 µA typ CS = VL and SDI = 0 V or VL,
VL = 3 V
Inactive, SDI = 1 MHz 15 µA typ CS and SCLK = 0 V or VL,
V
L
= 5 V
7.5 µA typ CS and SCLK = 0 V or VL,
VL = 3 V
SDI = 25 MHz 230 µA typ CS and SCLK = 0 V or VL,
VL = 5 V
120 µA typ CS and SCLK = 0 V or VL,
VL = 3 V
Active at 50 MHz 1.8 mA typ Digital inputs toggle
between 0 V and VL,
VL = 5.5 V
2.1 mA max
0.7 mA typ Digital inputs toggle
between 0 V and VL,
VL = 2.7 V
1.0 mA max
Negative Supply Current, ISS 0.001 µA typ Digital inputs = 0 V or VL
1.0 µA max
VDD/VSS ±9/±22 V min/V max GND = 0 V
1 Guaranteed by design; not subject to production test.
Table 2‘
Data Sheet ADGS5412
Rev. A | Page 5 of 30
±20 V DUAL SUPPLY
VDD = 20 V ± 10%, VSS = −20 V ± 10%, VL = 2.7 V to 5.5 V, GND = 0 V, unless otherwise noted.
Table 2.
Parameter +25°C −40°C to +85°C −40°C to +125°C Unit Test Conditions/Comments
ANALOG SWITCH
Analog Signal Range VDD to VSS V
On Resistance, RON 9 Ω typ VS = ±15 V, IS = −10 mA; see
Figure 29
10 13 15 Ω max VDD = +18 V, VSS = −18 V
On-Resistance Match Between
Channels, ∆RON
0.35
Ω typ
V
S
= ±15 V, I
S
= −10 mA
0.7 0.9 1.1 Ω max
On-Resistance Flatness, RFLAT (ON) 1.6 Ω typ VS = ±15 V, IS = −10 mA
1.9 2.3 2.7 Ω max
LEAKAGE CURRENTS VDD = +22 V, VSS = −22 V
Source Off Leakage, IS (Off ) ±0.05 nA typ VS = ±15 V, VD = μ 15 V; see
Figure 32
±0.25
±0.75
±6
nA max
Drain Off Leakage, ID (Off ) ±0.05 nA typ VS = ±15 V, VD = μ 15 V; see
Figure 32
±0.25 ±0.75 ±6 nA max
Channel On Leakage, ID (On), IS (On) ±0.1 nA typ VS = VD = ±15 V; see Figure 28
±0.4 ±2 ±12 nA max
DIGITAL OUTPUT
Output Voltage
Low, VOL 0.4 V max ISINK = 5 mA
0.2 V max ISINK = 1 mA
High Impedance Leakage Current 0.001 µA typ VOUT = VGND or VL
±0.1 µA max
High Impedance Output
Capacitance
4 pF typ
DIGITAL INPUTS
Input Voltage
High, V
INH
2
V min
3.3 V < V
L
≤ 5.5 V
1.35 V min 2.7 V ≤ VL ≤ 3.3 V
Low, VINL 0.8 V max 3.3 V < VL ≤ 5.5 V
0.8 V max 2.7 V ≤ VL ≤ 3.3 V
Input Current, IINL or IINH 0.002 µA typ VIN = VGND or VL
±0.1 µA max
Digital Input Capacitance, CIN 4 pF typ

ADGS5412 Data Sheet
Rev. A | Page 6 of 30
Parameter +25°C −40°C to +85°C −40°C to +125°C Unit Test Conditions/Comments
DYNAMIC CHARACTERISTICS1
tON 450 ns typ RL = 300 Ω, CL = 35 pF
530 540 555 ns max VS = 10 V; see Figure 36
tOFF 185 ns typ RL = 300 Ω, CL = 35 pF
230
245
260
ns max
V
S
= 10 V; see Figure 36
Break-Before-Make Time Delay, tD 235 ns typ RL = 300 Ω, CL = 35 pF
185 ns min VS1 = VS2 = 10 V, see Figure 35
Charge Injection, QINJ 310 pC typ VS = 0 V, RS = 0 Ω, CL = 1 nF; see
Figure 37
Off Isolation −78 dB typ RL = 50 Ω, CL = 5 pF, f = 100 kHz; see
Figure 31
Channel-to-Channel Crosstalk −70 dB typ RL = 50 Ω, CL = 5 pF, f = 1 MHz; see
Figure 30
Total Harmonic Distortion + Noise,
THD + N
0.008 % typ RL = 1 kΩ, 20 V p-p, f = 20 Hz to
20 kHz; see Figure 33
−3 dB Bandwidth
160
MHz typ
R
L
= 50 Ω, C
L
= 5 pF; see Figure 34
Insertion Loss −0.6 dB typ RL = 50 Ω, CL = 5 pF, f = 1 MHz; see
Figure 34
Off Switch Source Capacitance,
CS (Off )
17 pF typ VS = 0 V, f = 1 MHz
Off Switch Drain Capacitance,
CD (Off )
17 pF typ VS = 0 V, f = 1 MHz
On Switch Capacitance, CD (On),
CS (On)
56 pF typ VS = 0 V, f = 1 MHz
POWER REQUIREMENTS VDD = +22 V, VSS = −22 V
Positive Supply Current, IDD 50 µA typ Digital inputs = 0 V or VL
70 110 µA max
50 µA typ All switches closed, VL = 5.5 V
120 µA typ All switches closed, VL = 2.7 V
IL
Inactive 6.3 µA typ Digital inputs = 0 V or VL
8.0 µA max
Inactive, SCLK = 1 MHz 14 µA typ CS = VL and SDI = 0 V or VL,
VL = 5 V
7 µA typ CS = VL and SDI = 0 V or VL,
VL = 3 V
SCLK = 50 MHz 390 µA typ CS = VL and SDI = 0 V or VL,
VL = 5 V
210 µA typ CS = VL and SDI = 0 V or VL,
VL = 3 V
Inactive, SDI = 1 MHz 15 µA typ CS and SCLK = 0 V or VL, VL = 5 V
7.5 µA typ CS and SCLK = 0 V or VL, VL = 3 V
SDI = 25 MHz 230 µA typ CS and SCLK = 0 V or VL, VL = 5 V
120 µA typ CS and SCLK = 0 V or VL, VL = 3 V
Active at 50 MHz 1.8 mA typ Digital inputs toggle between
0 V and VL, VL = 5.5 V
2.1
mA max
0.7 mA typ Digital inputs toggle between
0 V and VL, VL = 2.7 V
1.0 mA max
Negative Supply Current, ISS 0.001 µA typ Digital inputs = 0 V or VL
1.0 µA max
VDD/VSS ±9/±22 V min/V max GND = 0 V
1 Guaranteed by design; not subject to production test.
Table 3‘
Data Sheet ADGS5412
Rev. A | Page 7 of 30
12 V SINGLE SUPPLY
VDD = 12 V ± 10%, VSS = 0 V, VL = 2.7 V to 5.5 V, GND = 0 V, unless otherwise noted.
Table 3.
Parameter +25°C −40°C to +85°C −40°C to +125°C Unit Test Conditions/Comments
ANALOG SWITCH
Analog Signal Range 0 V to VDD V
On-Resistance, RON 19 Ω typ VS = 0 V to 10 V, IS = −10 mA;
see Figure 29
22 27 31 Ω max VDD = 10.8 V, VSS = 0 V
On-Resistance Match Between Channels,
∆RON
0.4
Ω typ
V
S
= 0 V to 10 V, I
S
= −10 mA
0.8 1 1.2 Ω max
On-Resistance Flatness, RFLAT (ON) 4.4 Ω typ VS = 0 V to 10 V, IS = −10 mA
5.5 6.5 7.5 Ω max
LEAKAGE CURRENTS VDD = 13.2 V, VSS = 0 V
Source Off Leakage, IS (Off ) ±0.05 nA typ VS = 1 V/10 V, VD = 10 V/1 V;
see Figure 32
±0.25
±0.75
±6
nA max
Drain Off Leakage, ID (Off ) ±0.05 nA typ VS = 1 V/10 V, VD = 10 V/1 V;
see Figure 32
±0.25 ±0.75 ±6 nA max
Channel On Leakage, ID (On), IS (On) ±0.1 nA typ VS = VD = 1 V/10 V; see
Figure 28
±0.4 ±2 ±12 nA max
DIGITAL OUTPUT
Output Voltage
Low, VOL 0.4 V max ISINK = 5 mA
0.2 V max ISINK = 1 mA
High Impedance Leakage Current 0.002 µA typ VOUT = VGND or VL
±0.1 µA max
High Impedance Output Capacitance 4 pF typ
DIGITAL INPUTS
Input Voltage
High, V
INH
2
V min
3.3 V < V
L
≤ 5.5 V
1.35 V min 2.7 V ≤ VL ≤ 3.3 V
Low, VINL 0.8 V max 3.3 V < VL ≤ 5.5 V
0.8 V max 2.7 V ≤ VL ≤ 3.3 V
Input Current, IINL or IINH 0.001 µA typ VIN = VGND or VL
±0.1 µA max
Digital Input Capacitance, CIN 4 pF typ
DYNAMIC CHARACTERISTICS1
tON 545 ns typ RL = 300 Ω, CL = 35 pF
665 720 775 ns max VS = 8 V; see Figure 36
tOFF 200 ns typ RL = 300 Ω, CL = 35 pF
250 275 305 ns max VS = 8 V; see Figure 36
Break-Before-Make Time Delay, tD 320 ns typ RL = 300 Ω, CL = 35 pF
235 ns min VS1 = VS2 = 8 V, see Figure 35
Charge Injection, QINJ 105 pC typ VS = 6 V, RS = 0 Ω, CL = 1 nF;
see Figure 37
Off Isolation −78 dB typ RL = 50 Ω, CL = 5 pF,
f = 100 kHz; see Figure 31
Channel-to-Channel Crosstalk −70 dB typ RL = 50 Ω, CL = 5 pF, f = 1 MHz;
see Figure 30
Total Harmonic Distortion + Noise,
THD + N
0.08 % typ RL = 1 kΩ, 6 V p-p, f = 20 Hz
to 20 kHz; see Figure 33

ADGS5412 Data Sheet
Rev. A | Page 8 of 30
Parameter +25°C −40°C to +85°C −40°C to +125°C Unit Test Conditions/Comments
−3 dB Bandwidth 180 MHz typ RL = 50 Ω, CL = 5 pF; see
Figure 34
Insertion Loss −1.3 dB typ RL = 50 Ω, CL = 5 pF, f = 1 MHz;
see Figure 34
Off Switch Source Capacitance, C
S
(Off )
22
pF typ
V
S
= 6 V, f = 1 MHz
Off Switch Drain Capacitance, CD (Off ) 22 pF typ VS = 6 V, f = 1 MHz
On Switch Capacitance, CD (On), CS (On) 56 pF typ VS = 6 V, f = 1 MHz
POWER REQUIREMENTS VDD = 13.2 V
Positive Supply Current, IDD 40 µA typ Digital inputs = 0 V or VL
65 µA max
40 µA typ All switches closed, VL = 5.5 V
105 µA typ All switches closed, VL = 2.7 V
IL
Inactive 6.3 µA typ Digital inputs = 0 V or VL
8.0 µA max
Inactive, SCLK = 1 MHz 14 µA typ CS = VL and SDI = 0 V or VL,
VL = 5 V
7 µA typ CS = VL and SDI = 0 V or VL,
VL = 3 V
SCLK = 50 MHz 390 µA typ CS = VL and SDI = 0 V or VL,
VL = 5 V
210 µA typ CS = VL and SDI = 0 V or VL,
VL = 3 V
Inactive, SDI = 1 MHz 15 µA typ CS and SCLK = 0 V or VL,
VL = 5 V
7.5 µA typ CS and SCLK = 0 V or VL,
VL = 3 V
SDI = 25 MHz 230 µA typ CS and SCLK = 0 V or VL,
V
L
= 5 V
120 µA typ CS and SCLK = 0 V or VL,
VL = 3 V
Active at 50 MHz 1.8 mA typ Digital inputs toggle
between 0 V and VL,
VL = 5.5 V
2.1 mA max
0.7
mA typ
Digital inputs toggle
between 0 V and VL,
VL = 2.7 V
1.0 mA max
VDD 9/40 V min/V max GND = 0 V, VSS = 0 V
1 Guaranteed by design; not subject to production test.
Table 4‘
Data Sheet ADGS5412
Rev. A | Page 9 of 30
36 V SINGLE SUPPLY
VDD = 36 V ± 10%, VSS = 0 V, VL = 2.7 V to 5.5 V, GND = 0 V, unless otherwise noted.
Table 4.
Parameter +25°C −40°C to +85°C −40°C to +125°C Unit Test Conditions/Comments
ANALOG SWITCH
Analog Signal Range 0 V to VDD V
On Resistance, RON 10.6 Ω typ VS = 0 V to 30 V, IS = −10 mA; see
Figure 29
12 15 17 Ω max VDD = 32.4 V, VSS = 0 V
On-Resistance Match Between
Channels, ∆RON
0.35
Ω typ
V
S
= 0 V to 30 V, I
S
= −10 mA
0.7 0.9 1.1 Ω max
On-Resistance Flatness, RFLAT(ON) 2.9 Ω typ VS = 0 V to 30 V, IS = −10 mA
3.4 4 4.7 Ω max
LEAKAGE CURRENTS VDD = 39.6 V, VSS = 0 V
Source Off Leakage, IS (Off ) ±0.05 nA typ VS = 1 V/30 V, VD = 30 V/1 V; see
Figure 32
±0.25
±0.75
±6
nA max
Drain Off Leakage, ID (Off ) ±0.05 nA typ VS = 1 V/30 V, VD = 30 V/1 V; see
Figure 32
±0.25 ±0.75 ±6 nA max
Channel On Leakage, ID (On), IS (On) ±0.1 nA typ VS = VD = 1 V/30 V; see Figure 28
±0.4 ±2 ±12 nA max
DIGITAL OUTPUT
Output Voltage
Low, VOL 0.4 V max ISINK = 5 mA
0.2 V max ISINK = 1 mA
High Impedance Leakage Current 0.001 µA typ VOUT = VGND or VL
±0.1 µA max
High Impedance Output
Capacitance
4 pF typ
DIGITAL INPUTS
Input Voltage
High, V
INH
2
V min
3.3 V < V
L
≤ 5.5 V
1.35 V min 2.7 V ≤ VL ≤ 3.3 V
Low, VINL 0.8 V max 3.3 V < VL ≤ 5.5 V
0.8 V max 2.7 V ≤ VL ≤ 3.3 V
Input Current, IINL or IINH 0.002 µA typ VIN = VGND or VL
±0.1 µA max
Digital Input Capacitance, CIN 4 pF typ

ADGS5412 Data Sheet
Rev. A | Page 10 of 30
Parameter +25°C −40°C to +85°C −40°C to +125°C Unit Test Conditions/Comments
DYNAMIC CHARACTERISTICS1
tON 470 ns typ RL = 300 Ω, CL = 35 pF
555 565 580 ns max VS = 18 V; see Figure 36
tOFF 195 ns typ RL = 300 Ω, CL = 35 pF
245
250
260
ns max
V
S
= 18 V; see Figure 36
Break-Before-Make Time Delay, tD 245 ns typ RL = 300 Ω, CL = 35 pF
185 ns min VS1 = VS2 = 18 V, see Figure 35
Charge Injection, QINJ 285 pC typ VS = 18 V, RS = 0 Ω, CL = 1 nF; see
Figure 37
Off Isolation −78 dB typ RL = 50 Ω, CL = 5 pF, f = 100 kHz; see
Figure 31
Channel-to-Channel Crosstalk −70 dB typ RL = 50 Ω, CL = 5 pF, f = 1 MHz; see
Figure 30
Total Harmonic Distortion + Noise,
THD + N
0.03 % typ RL = 1 kΩ, 18 V p-p, f = 20 Hz to
20 kHz; see Figure 33
−3 dB Bandwidth
174
MHz typ
R
L
= 50 Ω, C
L
= 5 pF; see Figure 34
Insertion Loss −0.7 dB typ RL = 50 Ω, CL = 5 pF, f = 1 MHz; see
Figure 34
Off Switch Source Capacitance,
CS (Off )
17 pF typ VS = 18 V, f = 1 MHz
Off Switch Drain Capacitance,
CD (Off )
17 pF typ VS = 18 V, f = 1 MHz
On Switch Capacitance, CD (On),
CS (On)
55 pF typ VS = 18 V, f = 1 MHz
POWER REQUIREMENTS VDD = 39.6 V
Positive Supply Current, IDD 80 µA typ Digital inputs = 0 V or VL
100 130 µA max
80 µA typ All switches closed, VL = 5.5 V
135 µA typ All switches closed, VL = 2.7 V
IL
Inactive 6.3 µA typ Digital inputs = 0 V or VL
8.0 µA max
Inactive, SCLK = 1 MHz 14 µA typ CS = VL and SDI = 0 V or VL,
VL = 5 V
7 µA typ CS = VL and SDI = 0 V or VL,
VL = 3 V
SCLK = 50 MHz 390 µA typ CS = VL and SDI = 0 V or VL,
VL = 5 V
210 µA typ CS = VL and SDI = 0 V or VL,
VL = 3 V
Inactive, SDI = 1 MHz 15 µA typ CS and SCLK = 0 V or VL, VL = 5 V
7.5 µA typ CS and SCLK = 0 V or VL, VL = 3 V
SDI = 25 MHz 230 µA typ CS and SCLK = 0 V or VL, VL = 5 V
120 µA typ CS and SCLK = 0 V or VL, VL = 3 V
Active at 50 MHz 1.8 mA typ Digital inputs toggle between
0 V and VL, VL = 5.5 V
2.1
mA max
0.7 mA typ Digital inputs toggle between
0 V and VL, VL = 2.7 V
1.0 mA max
VDD 9/40 V min/V max GND = 0 V, VSS = 0 V
1 Guaranteed by design; not subject to production test.
Table 7‘
Data Sheet ADGS5412
Rev. A | Page 11 of 30
CONTINUOUS CURRENT PER CHANNEL, SX OR DX
Table 5. Four Channels On
Parameter 25°C 85°C 125°C Unit
CONTINUOUS CURRENT, S
X
OR D
X
VDD = +15 V, VSS = −15 V
LFCSP (θJA = 50°C/W) 126 94 59 mA max
VDD = +20 V, VSS = −20 V
LFCSP (θJA = 50°C/W) 133 98 63 mA max
VDD = 12 V, VSS = 0 V
LFCSP (θJA = 50°C/W) 97 71 44 mA max
VDD = 36 V, VSS = 0 V
LFCSP (θJA = 50°C/W) 131 97 62 mA max
Table 6. One Channel On
Parameter 25°C 85°C 125°C Unit
CONTINUOUS CURRENT, SX OR DX
VDD = +15 V, VSS = −15 V
LFCSP (θJA = 50°C/W) 230 154 102 mA max
VDD = +20 V, VSS = −20 V
LFCSP (θJA = 50°C/W) 241 160 104 mA max
VDD = 12 V, VSS = 0 V
LFCSP (θJA = 50°C/W) 180 126 88 mA max
VDD = 36 V, VSS = 0 V
LFCSP (θ
JA
= 50°C/W)
239
158
104
mA max
TIMING CHARACTERISTICS
VL = 2.7 V to 5.5 V; GND = 0 V; all specifications TMIN to TMAX, unless otherwise noted. Guaranteed by design and characterization, not
production tested.
Table 7.
Parameter Limit at TMIN, TMAX Unit Test Conditions/Comments
t1 20 ns min SCLK period
t2 8 ns min SCLK high pulse width
t3 8 ns min SCLK low pulse width
t4 10 ns min CS falling edge to SCLK rising edge
t5 6 ns min Data setup time
t6 8 ns min Data hold time
t7 10 ns min SCLK rising edge to CS rising edge
t8 20 ns max CS falling edge to SDO data available
t91 20 ns max SCLK falling edge to SDO data available
t10 20 ns max CS rising edge to SDO returns to high impedance
t11 20 ns min CS high time between SPI commands
t12 8 ns min CS falling edge to SCLK becomes stable
t13 8 ns min CS rising edge to SCLK becomes stable
1 Measured with the 1 kΩ pull-up resistor to VL and 20 pF load. The parameter t9 determines the maximum SCLK frequency when SDO is used.

ADGS5412 Data Sheet
Rev. A | Page 12 of 30
t
1
t
2
t
3
t
4
t
5
t
8
t
9
t
10
t
6
t
7
R/W
CS
SCLK
SDI
SDO
A6 A5 D2 D1 D0
0 0 1D2 D1 D0
15234-002
Figure 2. Addressable Mode Timing Diagram
15234-003
t
1
t
2
t
3
t
4
t
5
t
8
t
9
t
10
t
6
t
7
CS
SCLK
SDI
SDO
INPUT BYTE FOR DEVICE N INPUT BYTE FOR DEVICE N + 1
ZERO BYTE INPUT BYTE FOR DEVICE N
D7 D6 D0 D7 D6 D1 D0
0 0 0 D7 D6 D1 D0
Figure 3. Daisy Chain Timing Diagram
t
13
t
11
t
12
CS
SCLK
15234-004
Figure 4. SCLK/CS Timing Relationship
ESD CAUTION
A
m
ESD (eledrostalk
Chavged dewces and (1mm boavds can aimmge
mmm detection Although m pmducl mum
paxemed 0v pvopvielavy pmemon mvcumy, damage
may occur on devices subjected m high enevgy ESD
Thevefore. pvopev ESD pvecawonx should be taken to
avmd perimmame degradauon or ‘035 o! mnwonalwy
Data Sheet ADGS5412
Rev. A | Page 13 of 30
ABSOLUTE MAXIMUM RATINGS
TA = 25°C, unless otherwise noted.
Table 8.
Parameter Rating
VDD to VSS 48 V
VDD to GND −0.3 V to +48 V
VSS to GND +0.3 V to −48 V
VL to GND −0.3 V to +6 V
Analog Inputs1 VSS − 0.3 V to VDD + 0.3 V or
30 mA, whichever occurs first
Digital Inputs
1
−0.3 V to +6 V
Peak Current, SX or DX 261 mA (pulsed at 1 ms, 10%
duty cycle maximum)
Continuous Current, SX or DX2 Data + 15%
Temperature Ranges
Operating −40°C to +125°C
Storage
−65°C to +150°C
Junction Temperature 150°C
Thermal Impedance, θJA 50°C/W
Reflow Soldering Peak
Temperature, Pb Free
260 (+0/−5)°C
Human Body Model (HBM) ESD
Rating
8 kV
1 Overvoltages at the SX pins and DX pins are clamped by internal diodes. Limit
the current to the maximum ratings given.
2 See Table 5.
Stresses at or above those listed under Absolute Maximum
Ratings may cause permanent damage to the product. This is a
stress rating only; functional operation of the product at these
or any other conditions above those indicated in the operational
section of this specification is not implied. Operation beyond
the maximum operating conditions for extended periods may
affect product reliability.
Only one absolute maximum rating can be applied at any one time.
ESD CAUTION
RESET
RESET
fe_rs
CS
RESET
ADGS5412 Data Sheet
Rev. A | Page 14 of 30
PIN CONFIGURATIONS AND FUNCTION DESCRIPTIONS
2
1
3
4
5
6
18
17
16
15
14
13
D4
S4
GND
VSS
S1
D1
D3
S3
VDD
NIC
S2
D2
8
9
10
11
7
12
20
19
21
SDO
NIC
CS
22 SCLK
23 SDI
24 NIC
ADGS5412
TOPVIEW
(NottoScale)
NOTES
1. THE EXPOSED PAD IS CONNECTED
INTERNALLY. FOR INCREASED RELIABILITY
OF THE SOLDER JOINTS AND MAXIMUM
THERMAL CAPABILITY, IT IS RECOMMENDED
THAT THE EXPOSED PAD BE SOLDEREDTO
THE SUBSTRATE, VSS.
2. NIC = NOT INTERNALLY CONNECTED.
RESET/VL
NIC
NIC
GND
NIC
NIC
15234-005
Figure 5. Pin Configuration
Table 9. Pin Function Descriptions
Pin No. Mnemonic Description
1 D1 Drain Terminal 1. This pin can be an input or an output.
2 S1 Source Terminal 1. This pin can be an input or an output.
3 VSS Most Negative Power Supply Potential. In single-supply applications, tie this pin to GND.
4, 11 GND Ground (0 V) Reference.
5 S4 Source Terminal 4. This pin can be an input or an output.
6 D4 Drain Terminal 4. This pin can be an input or an output.
7, 8, 10,
12, 16, 19,
24
NIC Not Internally Connected.
9 RESET/VL RESET/Logic Power Supply Input (VL). Under normal operation, drive the RESET/VL pin with a 2.7 V to 5.5 V supply.
Pull the pin low to complete a hardware reset. All switches are opened, and the appropriate registers are set to
their default values.
13 D3 Drain Terminal 3. This pin can be an input or an output.
14 S3 Source Terminal 3. This pin can be an input or an output.
15
V
DD
Most Positive Power Supply Potential.
17 S2 Source Terminal 2. This pin can be an input or an output.
18 D2 Drain Terminal 2. This pin can be an input or an output.
20 SDO Serial Data Output. This pin can be used for daisy-chaining a number of these devices together or for reading
back the data stored in a register for diagnostic purposes. The serial data is propagated on the falling edge of SCLK.
Pull this open-drain output to VL with an external resistor.
21 CS Active Low Control Input. This is the frame synchronization signal for the input data. When CS goes low, it
powers on the SCLK buffers and enables the input shift register. Data is transferred in on the falling edges of the
following clocks. Taking CS high updates the switch condition.
22 SCLK Serial Clock Input. Data is captured on the positive edge of SCLK. Data can be transferred at rates of up to 50 MHz.
23 SDI Serial Data Input. Data is captured on the positive edge of the serial clock input.
EPAD Exposed Pad. The exposed pad is connected internally. For increased reliability of the solder joints and maximum
thermal capability, it is recommended that the pad be soldered to the substrate, VSS.
a. 3:53? .6 E. E.
2: 35.559. 20 E. muzfimfiux .6 .5 3:52»? :0
Data Sheet ADGS5412
Rev. A | Page 15 of 30
TYPICAL PERFORMANCE CHARACTERISTICS
0
2
4
6
810
12
14
16
–20 –15 –10
10
–5 0 5 10 15 20
ON RESISTANCE (Ω)
V
S
, V
D
(V)
T
A
= 25°C V
DD
= +9V
V
SS
= –9V
V
DD
= +10V
V
SS
= –10V
V
DD
= +13.2V
V
SS
= –13.2V V
DD
= +15V
V
SS
= –15V
V
DD
= +16.5V
V
SS
= –16.5V
V
DD
= +11V
V
SS
= –11V
15234-006
Figure 6. On Resistance (RON) as a Function of VS, VD (Dual Supply)
0
2
4
6
8
10
12
–25 –20 –15 –10 –5 0 5 10 15 20 25
ON RESISTANCE (Ω)
VS, VD (V)
TA = 25°C
VDD = +18V
VSS = –18V
VDD = +20V
VSS = –20V
VDD = +22V
VSS = –22V
15234-007
Figure 7. On Resistance (RON) as a Function of VS, VD (Dual Supply)
0
5
10
15
20
25
0246810 12 14
ON RESISTANCE (Ω)
V
S
, V
D
(V)
T
A
= 25°C
V
DD
= +9V
V
SS
= 0V
V
DD
= +10V
V
SS
= 0V V
DD
= 10.8V
V
SS
= 0V
V
DD
= 11V
V
SS
= 0V
V
DD
= 13.2V
V
SS
= 0V
V
DD
= 12V
V
SS
= 0V
15234-008
Figure 8. On Resistance (RON) as a Function of VS, VD (Single Supply)
0
2
4
6
8
10
12
0 5 10 15 20 25 30 35 40 45
ON RESISTANCE (Ω)
T
A
= 25°C
V
DD
= 32.4V
V
SS
= 0V
V
DD
= 36V
V
SS
= 0V
V
DD
= 39.6V
V
SS
= 0V
V
S
, V
D
(V)
15234-009
Figure 9. On Resistance (RON) as a Function of VS, VD (Single Supply)
0
2
4
6
8
10
12
14
18
16
–15 –10 –5 0 5 10 15
ON RESISTANCE (Ω)
VS, VD (V)
TA = +125°C
TA = +85°C
TA = +25°C
TA = –40°C
VDD = +15V
VSS = –15V
15234-010
Figure 10. On Resistance (RON) as a Function of VS, VD for Various Temperatures,
±15 V Dual Supply
0
2
4
6
8
10
12
14
16
–20 –15 –10 –5 0 5 10 15 20
ON RESISTANCE (Ω)
VS, VD (V)
VDD = +20V
VSS = –20V
TA = +125°C
TA = +85°C
TA = +25°C
TA = –40°C
15234-011
Figure 11. On Resistance (RON) as a Function of VS, VD for Various Temperatures,
±20 V Dual Supply
\ TA : ‘115'6
\\
ADGS5412 Data Sheet
Rev. A | Page 16 of 30
0
5
10
15
20
25
30
024681012
ON RESISTANCE (Ω)
T
A
= +125°C
T
A
= +85°C
T
A
= +25°C
T
A
= –40°C
V
DD
= 12V
V
SS
= 0V
V
S
,V
D
(V)
15234-012
Figure 12. On Resistance (RON) as a Function of VS , VD for Various
Temperatures, 12 V Single Supply
0
2
4
6
8
10
12
14
16
0 5 10 15 20 25 30 35 40
ON RESISTANCE (Ω)
V
S
,V
D
(V)
V
DD
= 36V
V
SS
= 0V
T
A
= +125°C
T
A
= +85°C
T
A
= +25°C
T
A
= –40°C
15234-013
Figure 13. RON as a Function of VS ,VD for Various Temperatures,
36 V Single Supply
0 25 50 75 100 125
LEAKAGE CURRENT (nA)
TEMPERATURE (°C)
0.4
0.2
–0.2
0
–0.4
0.6
0.8 V
DD
= +15V
V
SS
= –15V
V
BIAS
= +10V/–10V I
D
, I
S
(ON) + +
I
D
, I
S
(ON) – –
I
S
(OFF) + –
I
D
(OFF) – +
I
D
(OFF) + –
I
S
(OFF) – +
15234-014
Figure 14. Leakage Currents vs. Temperature, ±15 V Dual Supply
0 25 50 75 100 125
LEAKAGE CURRENT (nA)
TEMPERATURE (°C)
0.4
0.2
–0.2
0
–0.6
–0.4
0.6
0.8 V
DD
= +20V
V
SS
= –20V
V
BIAS
= +15V/–15V I
D
, I
S
(ON) + +
I
D
, I
S
(ON) – –
I
S
(OFF) + –
I
D
(OFF) – +
I
D
(OFF) + –
I
S
(OFF) – +
15234-015
Figure 15. Leakage Currents vs. Temperature, ±20 V Dual Supply
0 25 50 75 100 125
LEAKAGE CURRENT (nA)
TEMPERATURE (°C)
0.4
0.2
–0.2
0
0.6 V
DD
= 12V
V
SS
= 0V
V
BIAS
= 1V/10V I
D
, I
S
(ON) + +
I
D
, I
S
(ON) – –
I
S
(OFF) + –
I
D
(OFF) – +
I
D
(OFF) + –
I
S
(OFF) – +
15234-016
Figure 16. Leakage Currents vs. Temperature, 12 V Single Supply
0 255075100125
LEAKAGE CURRENT (nA)
TEMPERATURE (°C)
0.4
0.2
–0.2
0
–0.4
–0.6
0.6
0.8 V
DD
= 36V
V
SS
= 0V
V
BIAS
= 1V/30V I
D
, I
S
(ON) + +
I
D
, I
S
(ON) – –
I
S
(OFF) + –
I
D
(OFF) – +
I
D
(OFF) + –
I
S
(OFF) – +
15234-017
Figure 17. Leakage Currents vs. Temperature, 36 V Single Supply
>Data Sheet ADGS5412
Rev. A | Page 17 of 30
–140
–120
–100
–80
–60
–40
–20
0
100 1k 10k 100k 1M 10M 100M 1G
OFF ISOLATION (dB)
FREQUENCY (Hz)
T
A
= 25°C
V
DD
= +15V
V
SS
= –15V
15234-018
Figure 18. Off Isolation vs. Frequency, ±15 V Dual Supply
–120
–110
–100
–90
–80
–70
–60
–50
–40
–30
–20
–10
0
10k 100k 1M 10M 100M 1G
CROSSTALK (dB)
FREQUENCY (Hz)
T
A
= 25°C
V
DD
= +15V
V
SS
= –15V
15234-019
Figure 19. Crosstalk vs. Frequency, ±15 V Dual Supply
0
50
100
150
200
250
300
350
400
–20 –10 010 20 30 40
CHARGE INJECTION (pC)
Vs (V)
V
DD
= 20V, V
SS
= –20V
V
DD
= 15V, V
SS
= –15V
V
DD
= 12V, V
SS
= 0V
V
DD
= 36V, V
SS
= 0V
T
A
= 25°C
15234-020
Figure 20. Charge Injection vs. Source Voltage, VS
–120
–100
–80
–60
–40
–20
0
100 1k 10k 100k 1M 10M
AC PSRR (dB)
FREQUENCY (Hz)
100nF DECOUPLING CAP
10µF + 100nF DECOUPLING CAP
NO DECOUPLING
T
A
= 25°C
V
DD
= +15V
V
SS
= –15V
15234-021
Figure 21. AC Power Supply Rejection Ration (PSRR) vs. Frequency, ±15 V
Dual Supply
0
0.01
0.02
0.03
0.04
0.05
0.06
0.07
0.08
0.09
20 200 2k 20k
THD + N (%)
FREQUENCY (Hz)
T
A
= 25°C
20V
DS
, V
S
= 20V p-p
15V
DS
, V
S
= 15V p-p
12V
SS
, V
S
= 6V p-p
36V
SS
, V
S
= 18V p-p
15234-022
Figure 22. THD + N vs. Frequency, ±15 V Dual Supply
–5.0
–4.5
–4.0
–3.5
–3.0
–2.5
–0.2
–1.5
–1.0
–0.5
0
10k 100k 1M 10M 100M 1G
INSERTION LOSS (dB)
FREQUENCY (Hz)
T
A
= 25°C
V
DD
= +15V
V
SS
= –15V
15234-023
Figure 23. Bandwidth
ADGS5412 Data Sheet
Rev. A | Page 18 of 30
0
100
200
300
400
500
600
700
–40 –20 020
40 60 80 100 120
TIME (ns)
TEMPERATURE (°C)
15V
DS
,
t
ON
20V
DS
,
t
ON
12V
SS
,
t
ON
36V
SS
,
t
ON
15V
DS
,
t
OFF
20V
DS
,
t
OFF
12V
SS
,
t
OFF
36V
SS
,
t
OFF
15234-024
Figure 24. tON, tOFF Times vs. Temperature
0
10
20
30
40
50
60
70
80
90
100
2.7 3.53.0 4.0 4.5 5.0 5.5
I
DD
(uA)
V
L
(V)
12V
15V
20V
36V
T
A
= 25°C
I
DD
WITH ONE SWITCH CLOSED
15234-025
Figure 25. IDD vs. VL
0
50
100
150
200
250
300
350
400
450
110 20 30 40 50
I
L
(uA)
SCLK FREQUENCY (MHz)
V
L
= 5V
V
L
= 3V
T
A
= 25°C
15234-126
Figure 26. IL vs. SCLK Frequency When CS Is High
–2.0
–1.5
–1.0
–0.5
0
0.5
1.0
1.5
2.0
02 4 68
V
OUT
(mV)
TIME (µs)
T
A
= 25°C
V
DD
= +15V
V
SS
= –15V
SCLK = 2.5MHz
SCLK IDLE
15234-127
Figure 27. Digital Feedthrough

Data Sheet ADGS5412
Rev. A | Page 19 of 30
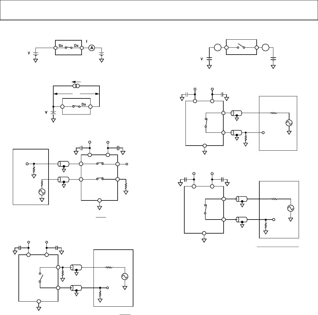
TEST CIRCUITS
V
D
Sx Dx
V
S
D
(ON)
15234-026
Figure 28. On Leakage
Sx Dx
S
V1
I
DS
R
ON
= V
1
/I
DS
15234-027
Figure 29. On Resistance
CHANNEL TO CHANNEL CROSSTALK = 20 log V
OUT
GND
S1
D2
D1
S2
V
OUT
NETWORK
ANALYZER
R
L
50Ω
R
L
50Ω
V
S
V
S
V
DD
V
SS
0.1µF
V
DD
0.1µF
V
SS
NIC
15234-028
Figure 30. Channel to Channel Crosstalk
V
OUT
50Ω
NETWORK
ANALYZER
R
L
50Ω
Sx
Dx
50Ω
OFF ISOLATION = 20 log V
OUT
V
S
V
S
V
DD
V
SS
0.1µF
V
DD
0.1µF
V
SS
GND
15234-029
Figure 31. Off Isolation
Sx Dx
V
S
A A
V
D
I
S
(OFF) I
D
(OFF)
15234-030
Figure 32. Off Leakage
V
DD
V
SS
V
DD
V
SS
V
OUT
R
S
AUDIO PRECISION
R
L
1kΩ
Sx
Dx
V
S
V p-p
0.1µF 0.1µF
GND
15234-031
Figure 33. THD + N
V
OUT
50Ω
NETWORK
ANALYZER
R
L
50Ω
Sx
Dx
INSERTION LOSS = 20 log V
OUT
WITH SWITCH
V
OUT
WITHOUT SWITCH
V
S
V
DD
V
SS
0.1µF
V
DD
0.1µF
V
SS
GND
15234-032
Figure 34. Bandwidth
%
V51
VDD Vss
0.1uF 0 0 0.1uF
aw at»
V”, vs;
s1 OTC m
\
6ND
52 a D2 me
‘ Ru Cm
INPuT LOGIC 53mm $1 35DF
Ru l on
30m ; 35pF
4—W—
Voun
Voun
<><>ADGS5412 Data Sheet
Rev. A | Page 20 of 30
15234-035
Figure 35. Break-Before-Make Time Delay, tD
V
DD
V
SS
V
DD
V
SS
0.1µF 0.1µF
GND
R
L
300Ω
C
L
35pF
V
S
INPUT LOGIC
SD V
OUT
SCLK
V
OUT
50% 50%
90% 10%
t
ON
t
OFF
15234-033
Figure 36. Switching Times
V
DD
V
SS
V
DD
V
SS
GND
INPUT LOGIC
C
L
1nF
SD V
OUT
R
S
V
S
S
CLK
3V
V
OUT
∆V
OUT
Q
INJ
= C
L
× ∆V
OUT
SWITCH OFF SWITCH ON
15234-034
Figure 37. Charge Injection
AC PSRR = 20 log V
OUT
GND
D1S1 NIC
NETWORK
ANALYZER
NOTES
1. BOARD AND COMPONENT EFFECTS ARE NOT DE-EMBEDDED
FROM THE AC PSRR MEASUREMENT.
R
L
50Ω
R
L
50Ω
V
S
V
OUT
V
S
V
DD
V
SS
V
SS
15234-138
INTERNAL
BIAS
Figure 38. AC PSRR

Data Sheet ADGS5412
Rev. A | Page 21 of 30
TERMINOLOGY
IDD
IDD is the positive supply current.
ISS
ISS is the negative supply current.
VD, VS
VD and VS are the analog voltages on Terminal D and Terminal
S, respectively.
RON
RON is the ohmic resistance between Terminal D and Terminal
S.
∆RON
∆RON is the difference between the RON of any two channels.
RFLAT (ON)
RFLAT (ON) is flatness that is defined as the difference between the
maximum and minimum value of on resistance measured over
the specified analog signal range.
IS (Off)
IS (Off) is the source leakage current with the switch off.
ID (Off)
ID (Off) is the drain leakage current with the switch off.
ID (On), IS (On)
ID (On) and IS (On) are the channel leakage currents with the
switch on.
VINL
VINL is the maximum input voltage for Logic 0.
VINH
VINH is the minimum input voltage for Logic 1.
IINL, IINH
IINL and IINH are the low and high input currents of the digital
inputs.
CD (Off)
CD (Off) is the off switch drain capacitance, which is measured
with reference to the GND pin.
CS (Off)
CS (Off) is the off switch source capacitance, which is measured
with reference to the GND pin.
CD (On), CS (On)
CD (On) and CS (On) are the on switch capacitances, which are
measured with reference to the GND pin
CIN
CIN is the digital input capacitance.
tON
tON is the delay between applying the digital control input and
the output switching on.
tOFF
tOFF is the delay between applying the digital control input and
the output switching off.
tD
tD is the off time measured between the 80% point of both
switches when switching from one address state to another.
Off Isolation
Off isolation is a measure of unwanted signal coupling through
an off switch.
Charge Injection
Charge injection is a measure of the glitch impulse transferred
from the digital input to the analog output during switching.
Crosstalk
Crosstalk is a measure of unwanted signal that is coupled
through from one channel to another as a result of parasitic
capacitance.
Bandwidth
Bandwidth is the frequency at which the output is attenuated by
3 dB.
On Response
On response is the frequency response of the on switch.
Insertion Loss
Insertion loss is the loss due to the on resistance of the switch.
Total Harmonic Distortion + Noise (THD + N)
THD + N is the ratio of the harmonic amplitude plus the noise
of the signal to the fundamental.
AC Power Supply Rejection Ratio (AC PSRR)
AC PSRR is the ratio of the amplitude of signal on the output to
the amplitude of the modulation. This is a measure of the ability
of the device to avoid coupling noise and spurious signals that
appear on the supply voltage pin to the output of the switch. The dc
voltage on the device is modulated by a sine wave of 0.62 V p-p.
ADGS5412 Data Sheet
Rev. A | Page 22 of 30
THEORY OF OPERATION
The ADGS5412 is a set of serially controlled, quad SPST
switches with error detection features. SPI Mode 0 and Mode 3
can be used with the device, and it operates with SCLK frequen-
cies up to 50 MHz. The default mode for the ADGS5412 is
address mode, in which the registers of the device are accessed
by a 16-bit SPI command that is bounded by CS. The SPI
command becomes 24-bit if the user enables CRC error detection.
Other error detection features include SCLK count error and
invalid read/write error. If any of these SPI interface errors occur,
they are detectable by reading the error flags register. The
ADGS5412 can also operate in two other modes: burst mode
and daisy-chain mode.
The interface pins of the ADGS5412 are CS, SCLK, SDI, and
SDO. Hold CS low when using the SPI interface. Data is captured
on the SDI pin on the rising edge of SCLK, and data is propagated
out on the SDO pin on the falling edge of SCLK. SDO has an
open-drain output; thus, connect a pull-up to this output. When
not pulled low by the ADGS5412, SDO is in a high impedance
state.
ADDRESS MODE
Address mode is the default mode for the ADGS5412 on power-up.
A single SPI frame in address mode is bounded by a CS falling
edge and the succeeding CS rising edge. It is comprised of 16 SCLK
cycles. The timing diagram for address mode is shown in Figure 39.
The first SDI bit indicates if the SPI command is a read or write
command. When the first bit is set to 0, a write command is issued,
and if the first bit is set to 1, a read command is issued. The next
seven bits determine the target register address. The remaining
eight bits provide the data to the addressed register. The last eight
bits are ignored during a read command, because during these
clock cycles, SDO propagates out the data contained in the
addressed register.
The target register address of an SPI command is determined on
the eighth SCLK rising edge. Data from this register propagates out
on SDO from the ninth to the 16th SCLK falling edge during SPI
reads. A register write occurs on the 16th SCLK rising edge
during SPI writes.
During any SPI command, SDO sends out eight alignment bits
on the first eight SCLK falling edges. The alignment bits observed
at SDO are 0x25.
ERROR DETECTION FEATURES
Protocol and communication errors on the SPI interface are
detectable. There are three detectable errors, which are incorrect
SCLK error detection, invalid read and write address error
detection, and CRC error detection. Each of these errors has a
corresponding enable bit in the error configuration register. In
addition, there is an error flag bit for each of these errors in the
error flags register.
Cyclic Redundancy Check (CRC) Error Detection
The CRC error detection feature extends a valid SPI frame by
eight SCLK cycles. These eight extra cycles are needed to send the
CRC byte for that SPI frame. The CRC byte is calculated by the SPI
block using the 16-bit payload: the R/W bit, Register Address
Bits[6:0], and Register Data Bits[7:0]. The CRC polynomial used
in the SPI block is x8 + x2 + x1 + 1 with a seed value of 0. For a
timing diagram with CRC enabled, see Figure 40. Register
writes occur at the 24th SCLK rising edge with CRC error
checking enabled.
During an SPI write, the microcontroller or CPU provides the
CRC byte through SDI. The SPI block checks the CRC byte just
before the 24th SCLK rising edge. On this same edge, the register
write is prevented if an incorrect CRC byte is received by the
SPI interface. The CRC error flag is asserted in the error flags
register in the case of the incorrect CRC byte being detected.
During an SPI read, the CRC byte is provided to the microcon-
troller through SDO.
The CRC error detection feature is disabled by default and can
be configured by the user through the error configuration register.
0 0 1 0 0 1 0 1 D7 D6 D5 D4 D3 D2 D1 D0SDO
R/W A6 A5 A4 A3 A2 A1 A0 D7 D6 D5 D4 D3 D2 D1 D0
1 2 3 4 5 6 7 8 9 10 11 12 13 14 15 16
SDI
S
CLK
CS
15234-037
Figure 39. Address Mode Timing Diagram
0 0 1 D7 D6 D0 C7 C6 C5 C4 C3 C2 C1 C0
SDO
R/W A6 A0 D7 D6 D0 C7 C6 C5 C4 C3 C2 C1 C0
1 2 8 9 10 16 17 18 19 20 21 22 23 24
SDI
SCLK
CS
15234-038
Figure 40. Timing Diagram with CRC Enabled
unscL
CS
the d
Ible
device: share the same
R/VV
Data Sheet ADGS5412
Rev. A | Page 23 of 30
SCLK Count Error Detection
SCLK count error detection allows the user to detect if an incorrect
number of SCLK cycles are sent by the microcontroller or CPU.
When in address mode, with CRC disabled, 16 SCLK cycles are
expected. If 16 SCLK cycles are not detected, the SCLK count
error flag asserts in the error flags register. When less than
16 SCLK cycles are received by the device, a write to the register
map never occurs. When the ADGS5412 receives more than
16 SCLK cycles, a write to the memory map still occurs at the
16th SCLK rising edge, and the flag asserts in the error flags
register. With CRC enabled, the expected number of SCLK
cycles becomes 24. SCLK count error detection is enabled by
default and can be configured by the user through the error
configuration register.
Invalid Read/Write Address Error
An invalid read/write address error detects when a nonexistent
register address is a target for a read or write. In addition, this
error asserts when a write to a read only register is attempted.
The invalid read/write address error flag asserts in the error
flags register when an invalid read/write address error occurs.
The invalid read/write address error is detected on the ninth
SCLK rising edge, which means a write to the register never
occurs when an invalid address is targeted. Invalid read/write
address error detection is enabled by default and can be
disabled by the user through the error configuration register.
CLEARING THE ERROR FLAGS REGISTER
To clear the error flags register, write the special 16-bit SPI
frame, 0x6CA9, to the device. This SPI command does not
trigger the invalid R/W address error. When CRC is enabled,
the user must also send the correct CRC byte for a successful
error clear command. At the 16th or 24th SCLK rising edge, the
error flags register resets to zero.
BURST MODE
The SPI interface can accept consecutive SPI commands
without the need to deassert the CS line, which is called burst
mode. Burst mode is enabled through the burst enable register.
This mode uses the same 16-bit command to communicate
with the device. In addition, the response of the device at SDO
is still aligned with the corresponding SPI command. Figure 41
shows an example of SDI and SDO during burst mode.
The invalid read/write address and CRC error checking functions
operate similarly during burst mode as they do during address
mode. However, SCLK count error detection operates in a
slightly different manner. The total number of SCLK cycles
within a given CS frame are counted, and if the total is not a
multiple of 16 or a multiple of 24 when CRC is enabled, the
SCLK count error flag asserts.
SDO
COMMAND0[15:0]
RESPONSE0[15:0]
COMMAND1[15:0]
RESPONSE1[15:0]
COMMAND2[15:0]
RESPONSE2[15:0]
COMMAND3[15:0]
RESPONSE3[15:0]
SDI
CS
15234-039
Figure 41. Burst Mode Frame
SOFTWARE RESET
When in address mode, the user can initiate a software reset. To
do so, write two consecutive SPI commands, namely 0xA3 fol-
lowed by 0x05, targeting Register 0x0B. After a software reset,
all register values are set to default.
DAISY-CHAIN MODE
The connection of several ADGS5412 devices in a daisy-chain
configuration is possible, and Figure 42 shows this setup. All
devices share the same CS and SCLK line, whereas the SDO of a
device forms a connection to the SDI of the next device, creating a
shift register. In daisy-chain mode, SDO is an eight cycle delayed
version of SDI. When in daisy-chain mode, all commands target
the switch data register. Therefore, it is not possible to make
configuration changes while in daisy-chain mode.
S4
SDI
SCLK
CS
RESET/V
L
S3
S2
S1
D4
SDO
D3
D2
D1
ADGS5412
DEVICE 1
RESET/V
L
S4
S3
S2
S1
D4
SDO
D3
D2
D1
ADGS5412
DEVICE 2
SPI
INTERFACE SPI
INTERFACE
15234-040
Figure 42. Two SPI Controlled Switches Connected in a Daisy-Chain Configuration

ADGS5412 Data Sheet
Rev. A | Page 24 of 30
The ADGS5412 can only enter daisy-chain mode when in
address mode by sending the 16-bit SPI command, 0x2500
(see Figure 43). When the ADGS5412 receives this command,
the SDO of the device sends out the same command because
the alignment bits at SDO are 0x25, which allows multiple
daisy-connected devices to enter daisy-chain mode in a single
SPI frame. A hardware reset is required to exit daisy-chain mode.
For the timing diagram of a typical daisy-chain SPI frame, see
Figure 44. When CS goes high, Device 1 writes Command 0,
Bits[7:0] to its switch data register, Device 2 writes Command 1,
Bits[7:0] to its switches, and so on. The SPI block uses the last
eight bits it received through SDI to update the switches. After
entering daisy-chain mode, the first eight bits sent out by SDO
on each device in the chain are 0x00. When CS goes high, the
internal shift register value does not reset back to zero.
An SCLK rising edge reads in data on SDI while data is
propagated out SDO on an SCLK falling edge. The expected
number of SCLK cycles must be a multiple of eight before CS
goes high. When this is not the case, the SPI interface sends the
last eight bits received to the switch data register
POWER-ON RESET
The digital section of the ADGS5412 goes through an initialization
phase during VL power up. This initialization also occurs after a
hardware or software reset. After VL power-up or a reset, ensure
that a minimum of 120 μs from the time of power-up or reset
before any SPI command is issued. Ensure that VL does not
drop out during the 120 μs initialization phase because it may
result in incorrect operation of the ADGS5412.
0010010100000000SDO
0010010100000000
1 2 3 4 5 6 7 8 9 10 11 12 13 14 15 16
SDI
SCL
K
CS
15234-100
Figure 43. SPI Command to Enter Daisy-Chain Mode
SDO
COMMAND3[7:0]
8’h00
COMMAND2[7:0]
COMMAND3[7:0]
COMMAND1[7:0]
COMMAND2[7:0]
COMMAND0[7:0]
COMMAND1[7:0]
SDI
SDO3
8’h00
8’h00
8’h00
8’h00
COMMAND3[7:0]
8’h00
COMMAND2[7:0]
COMMAND3[7:0]
SDO2
DEVICE 2
DEVICE 1
DEVICE 4
DEVICE 3
CS
NOTES
1. SDO2 AND SDO3 ARE THE OUTPUT COMMANDS FROM DEVICE 2 AND DEVICE 3, RESPECTIVELY.
15234-101
Figure 44. Example of an SPI Frame When Four ADGS5412 Devices are Connected in Daisy-Chain Mode
Data Sheet ADGS5412
Rev. A | Page 25 of 30
BREAK-BEFORE-MAKE SWITCHING
The ADGS5412 exhibits break-before-make switching action,
which allows the use of the device in multiplexer applications.
This configuration can be achieved by externally hardwiring the
device in the mux configuration that is required, as shown in
Figure 45.
4 × SPST
S1
S4
S2
S3
Dx
4:1 MUX
SCLK SDI CS RESET/V
L
SPI
INTERFACE
15234-043
Figure 45. An SPI Controlled Switch Configured into a 4:1 Mux
TRENCH ISOLATION
In the analog switch section of the ADGS5412, an insulating
oxide layer (trench) is placed between the negative channel metal-
oxide semiconductor (NMOS) and the positive channel metal-
oxide semiconductor (PMOS) transistors of each complementary
metal oxide semiconductor switch (CMOS). Parasitic junctions,
which occur between the transistors in junction isolated
switches, are eliminated, and the result is a completely latch-up
proof switch.
In junction isolation, the negative (N) and positive (P) wells of the
PMOS and NMOS transistors form a diode that is reverse-biased
under normal operation. However, during overvoltage
conditions, this diode can become forward-biased. A silicon
controlled rectifier (SCR) circuit is formed by the two transistors,
causing a significant amplification of the current that, in turn,
leads to latch-up. With trench isolation, this diode is removed,
and the result is a latch-up proof switch. The ADGS5412 analog
switch pins pass the maximum rating in the JESD78D standard
in which they are stressed with a ±500 mA pulse for 1 second.
The high voltage latch-up proof family of switches and multiplexers
provide a robust solution for instrumentation, industrial, automo-
tive, aerospace, and other harsh environments that are prone to
latch-up, which is an undesirable high current state that can
lead to device failure and which persists until the power supply
is turned off. The ADGS5412 high voltage switches allow
single-supply operation from 9 V to 40 V and dual-supply
operation from ±9 V to ±22 V.
NMOS PMOS
P-WELL N-WELL
BURIED OXIDE LAYER
HANDLE WAFER
TRENCH
15234-044
Figure 46. Trench Isolation
DIGITAL INPUT BUFFERS
There are input buffers present on the digital inputs pins CS,
SCLK, and SDI. These buffers are active at all times. As result of
this, there will be current draw from the VL supply if SCLK or SDI
are toggling, regardless whether CS is active. For typical values of
this current draw, refer to the specification tables and Figure 26.
RESET
—E»
—w
m
Table 10. Recommended Power Management Devices
l‘hc vultage range that can be supplied m REbh'l‘
ADGS5412 Data Sheet
Rev. A | Page 26 of 30
APPLICATIONS INFORMATION
POWER SUPPLY RAILS
To guarantee correct operation of the ADGS5412, 0.1 µF
decoupling capacitors are required.
The ADGS5412 can operate with bipolar supplies between ±9 V
and ±22 V. The supplies on VDD and VSS do not have to be
symmetrical; however, the VDD to VSS range must not exceed 44 V.
The ADGS5412 can also operate with single supplies between
9 V and 40 V with VSS connected to GND.
The voltage range that can be supplied to RESET/VL is from 2.7 V
to 5.5 V.
The device is fully specified at ±15 V, ±20 V, +12 V, and +36 V
analog supply voltage ranges.
POWER SUPPLY RECOMMENDATIONS
Analog Devices, Inc. has a wide range of power management
products to meet the requirements of most high performance
signal chains.
An example of a bipolar power solution is shown in Figure 47.
The ADP5070 (dual switching regulator) generates a positive and
negative supply rail for the ADGS5412, amplifier, and/or a
precision converter in a typical signal chain. Also shown in
Figure 47 are two optional LDOs, ADP7118 and ADP7182,
positive and negative low dropout regulators (LDOs), respectively,
that can be used to reduce the output ripple of the ADP5070 in
ultralow noise sensitive applications.
The ADM7160 can be used to generate the RESET/VL voltage
that is required to power digital circuitry within the ADGS5412.
ADM7160
LDO
+3.3V
ADP7118
LDO
+15V
ADP7182
LDO
–15V
+16.5V
–16.5V
ADP5070
+5V
INPUT
15234-045
Figure 47. Bipolar Power Solution
Table 10. Recommended Power Management Devices
Product Description
ADP5070 1 A/0.6 A, dc-to-dc switching regulator with
independent positive and negative outputs
ADM7160 5.5 V, 200 mA, ultralow noise, linear regulator
ADP7118 20 V, 200 mA, low noise, CMOS LDO linear regulator
ADP7182 −28 V, −200 mA, low noise, LDO linear regulator
Data Sheet ADGS5412
Rev. A | Page 27 of 30
REGISTER SUMMARY
Table 11. Register Summary
Reg. Name Bits Bit 7 Bit 6 Bit 5 Bit 4 Bit 3 Bit 2 Bit 1 Bit 0 Default RW
0x01 SW_DATA [7:0] Reserved SW4_EN SW3_EN SW2_EN SW1_EN 0x00 R/W
0x02 ERR_CONFIG [7:0] Reserved RW_ERR_EN SCLK_ERR_EN CRC_ERR_EN 0x06 R/W
0x03 ERR_FLAGS [7:0] Reserved RW_ERR_FLAG SCLK_ERR_FLAG CRC_ERR_FLAG 0x00 R
0x05 BURST_EN [7:0] Reserved BURST_MODE_EN 0x00 R/W
0x0B SOFT_RESETB [7:0] SOFT_RESETB 0x00 R/W
Table 12. BR Descriptions for SW7DATA
Table 13. BR Descriptions for ERRiCONFlG
ADGS5412 Data Sheet
Rev. A | Page 28 of 30
REGISTER DETAILS
SWITCH DATA REGISTER
Address: 0x01, Reset: 0x00, Name: SW_DATA
The switch data register controls the status of the four switches of the ADGS5412.
Table 12. Bit Descriptions for SW_DATA
Bits Bit Name Settings Description Default Access
[7:4] Reserved These bits are reserved; set these bits to 0. 0x0 R
3 SW4_EN Enable bit for SW4. 0x0 R/W
0 SW4 open.
1
SW4 closed.
2 SW3_EN Enable bit for SW3. 0x0 R/W
0 SW3 open.
1 SW3 closed.
1 SW2_EN Enable bit for SW2. 0x0 R/W
0 SW2 open.
1
SW2 closed.
0 SW1_EN Enable bit for SW1. 0x0 R/W
0 SW1 open.
1 SW1 closed.
ERROR CONFIGURATION REGISTER
Address: 0x02, Reset: 0x06, Name: ERR_CONFIG
The error configuration register allows the user to enable/disable the relevant error features as required.
Table 13. Bit Descriptions for ERR_CONFIG
Bits Bit Name Settings Description Default Access
[7:3] Reserved These bits are reserved; set these bits to 0. 0x0 R
2 RW_ERR_EN Enable bit for detecting an invalid read/write address. 0x1 R/W
0 Disabled.
1 Enabled.
1 SCLK_ERR_EN Enable bit for detecting the correct number of SCLK cycles in an SPI frame. When
CRC is disabled and burst mode is disabled, 16 SCLK cycles are expected. When
CRC is enabled and burst mode is disabled, 24 SCLK cycles are expected. A multiple
of 16 SCLK cycles is expected when CRC is disabled and burst mode is enabled. A
multiple of 24 SCLK cycles is expected when CRC is enabled and burst mode is
enabled.
0x1 R/W
0 Disabled.
1 Enabled.
0 CRC_ERR_EN Enable bit for CRC error detection. SPI frames must be 24 bits wide when enabled. 0x0 R/W
0 Disabled.
1 Enabled.
the—er
R/VV
Table 15. BR Descriptions for BURSTJEN
Data Sheet ADGS5412
Rev. A | Page 29 of 30
ERROR FLAGS REGISTER
Address: 0x03, Reset: 0x00, Name: ERR_FLAGS
The error flags register allows the user to determine if an error occurred. To clear the error flags register, write the special 16-bit SPI
command, 0x6CA9, to the device. This SPI command does not trigger the invalid R/W address error. When CRC is enabled then the user
must include the correct CRC byte during the SPI write in order for the clear error flags register command to be successful.
Table 14. Bit Descriptions for ERR_FLAGS
Bits
Bit Name
Settings
Description
Default
Access
[7:3] Reserved These bits are reserved and are set to 0. 0x0 R
2 RW_ERR_FLAG Error flag for invalid read/write address. The error flag asserts during an SPI read
if the target address does not exist. The error flag also asserts when the target
address of an SPI write does not exist or is read only.
0x0 R
0 No error.
1 Error.
1 SCLK_ERR_FLAG Error flag for the detection of the correct number of SCLK cycles in an SPI frame. 0x0 R
0
No error.
1 Error.
0 CRC_ERR_FLAG Error flag that determines if a CRC error occurred during a register write. 0x0 R
0 No error.
1 Error.
BURST ENABLE REGISTER
Address: 0x05, Reset: 0x00, Name: BURST_EN
The burst enable register allows the user to enable or disable the burst mode. When enabled, the user can send multiple consecutive SPI
commands without de-asserting CS.
Table 15. Bit Descriptions for BURST_EN
Bits Bit Name Settings Description Default Access
[7:1] Reserved These bits are reserved; set these bits to 0. 0x0 R
0 BURST_MODE_EN Burst mode enable bit. 0x0 R/W
0 Disabled.
1 Enabled.
SOFTWARE RESET REGISTER
Address: 0x0B, Reset: 0x00, Name: SOFT_RESETB
This register is used to perform a software reset. Consecutively write 0xA3 and 0x05 to this register and the device registers reset to their
default states.
Table 16. Bit Descriptions for SOFT_RESETB
Bits Bit Name Settings Description Default Access
[7:0] SOFT_RESETB To perform a software reset, consecutively write 0xA3 followed by 0x05 to this
register.
0x0 R/W
ADGS5412 Data Sheet
Rev. A | Page 30 of 30
OUTLINE DIMENSIONS
0.50
BSC
0.50
0.40
0.30
COMPLIANT
TO
JEDEC STANDARDS MO-220-VGGD-8.
BOTTOM VIEW
TOP VIEW
4.10
4.00 SQ
3.90
1.00
0.95
0.90 0.05 MAX
0.02 NOM
0.20 REF
COPLANARITY
0.08
PIN 1
INDICATOR
1
24
7
12
13
18
19
6
02-09-2017-A
0.30
0.25
0.18
0.20 MIN
2.70
2.60 SQ
2.50
EXPOSED
PAD
PKG-004677
SEATING
PLANE
PIN 1
INDICATOR AREA OPTIONS
(SEE DETAIL A)
DETAIL A
(JEDEC 95)
FOR PROPER CONNECTION OF
THE EXPOSED PAD, REFER TO
THE PIN CONFIGURATION AND
FUNCTION DESCRIPTIONS
SECTION OF THIS DATA SHEET.
Figure 48. 24-Lead Lead Frame Chip Scale Package [LFCSP]
4 mm × 4 mm Body and 0.95 mm Package Height
(CP-24-17)
Dimensions shown in millimeters
ORDERING GUIDE
Model1 Temperature Range Package Description Package Option
ADGS5412BCPZ −40°C to +125°C 24-Lead Lead Frame Chip Scale Package [LFCSP] CP-24-17
ADGS5412BCPZ-RL7 −40°C to +125°C 24-Lead Lead Frame Chip Scale Package [LFCSP] CP-24-17
EVAL-ADGS5412SDZ Evaluation Board
1 Z = RoHS Compliant Part.
©2017–2018 Analog Devices, Inc. All rights reserved. Trademarks and
registered trademarks are the property of their respective owners.
D15234-0-7/18(A)
Products related to this Datasheet
EVALUATION BOARD I.C.
IC SWITCH QUAD SPST SPI 24LFCSP
IC SWITCH QUAD SPST SPI 24LFCSP